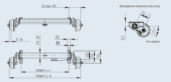
Торсіонна вісь Al-Ko 1500 кг Е-КТ А1300 зі гальмівною системою (тип 2051) — оригінальна запчастина для причіпної техніки. Довжина важеля становить 161.5 мм. До осі приєднується 112 мм маточина з 5 отворами.
Переваги торсіонної осі Al-Ko 1500 кг А1300 112х5 мм:
- Гумово-джгутова вісь завдовжки 1750 мм (між кріпленням відстань дорівнює 1300 мм) має оптимальну ціну та високу якість.
- Допустиме навантаження на одну вісь становить 1500 кг, якщо причіп оснащений 2 осями, — до 3000 кг.
- Під’єднувальні розміри дисків — 112х5 мм, центральний діаметр кріплення диска 57 мм.
- Покриття «гаряче цинкування» наноситься на профіль осі, корпус гальм накату завтовшки приблизно 70 мкм. Шар зменшується за рік експлуатації причіпа на 2-5 мкм. Це дає можливість уберегти конструкцію від корозійних процесів на 10 років і більше.
- Вісь із колісним гальмом забезпечує м’який хід, самостійну амортизацію, мінімальну потребу в технічному обслуговуванні.
- Додатково потрібно доукомплектувати торсіонну вісь гальмівними тросами, колісними болтами.
Комплект постачання:
- Торсіонна вісь із гальмом Al-Ko 1500 кг, 1300 мм (1 шт).



















Відгуки
Ще немає відгуків.